2 Body Vertical Vault Style Cooler – Model 1070-2BVU
2 Body Vertical Vault Style Cooler – Model 1070-2BVU
Compact, Reliable, and Space-Efficient
The 2 Body Vertical Vault Style Cooler – Model 1070-2BVU is the ultimate space-saving solution for facilities requiring low-capacity, professional-grade decedent storage. This unit's vertical, stacked configuration provides a two-body capacity with a minimal footprint. Featuring a simple and reliable top-mounted 115V Compressor Unit, this cooler is a durable and efficient workhorse.
Proudly engineered and built in our Tennessee facility, this cooler provides a turnkey, plug-and-play preservation solution for any professional facility with space constraints.
Key Features
- 
USA-Made Craftsmanship – Fully fabricated and assembled in Tennessee with a focus on durability and performance.
 - 
Space-Saving Vertical Design – The 2-bay stacked configuration maximizes storage capacity while minimizing the required floor space.
 - 
Self-Contained 115V Compressor Unit – A powerful, top-mounted compressor unit is fully integrated for simple, plug-and-play operation on a standard electrical circuit.
 - 
Telescopic Slide System – Each bay is equipped with a heavy-duty Telescoping Slide system for smooth, safe, and ergonomic access.
 - 
Individual Locking Doors – Two individual, insulated doors ensure temperature stability and security.
 - 
Digital Thermostat – An easy-to-read digital display ensures precise temperature management.
 
Technical Specifications
- 
Model: 1070-2BVU
 - 
Capacity: 2 Bodies
 - 
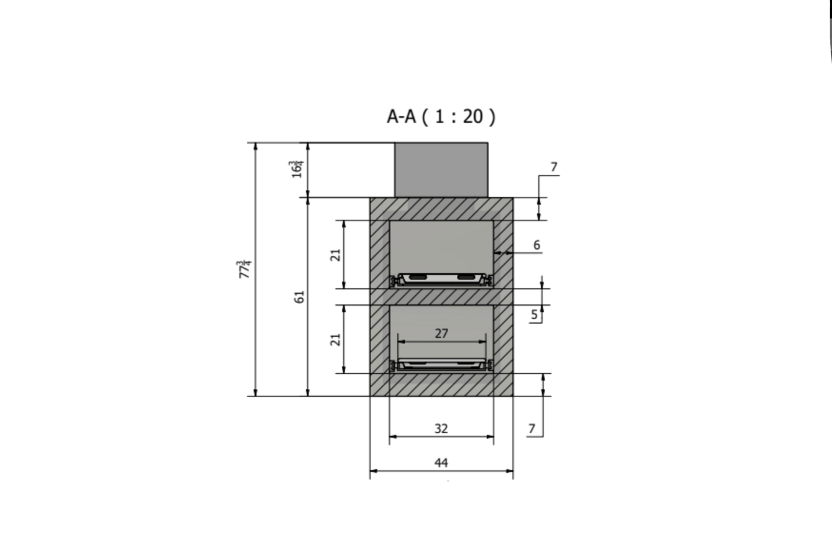
Exterior Dimensions (Inches): 44" W x 88" D x 77.25" H (Total Height)
 - 
Exterior Dimensions (Feet): Approx. 3' 8" W x 7' 4" D x 6' 5" H (Total Height)
 - 
Construction: Stainless Steel with 4" Urethane Insulation
 - 
Refrigeration: Top-Mounted, Self-Contained 115V Compressor Unit
 - 
Electrical: 115V (Dedicated Circuit Recommended)
 - 
Door System: Two (2) individual doors in a vertical stack.
 
Perfect For
- 
Facilities with limited floor space
 - 
Small or private funeral homes
 - 
Hospital pathology labs with low volume
 - 
Clinics and private practices
 - 
University research labs
 
Industry-Leading Warranty
- 
15-Year Structural Frame Warranty
 - 
5-Year Door Warranty
 - 
1-Year Parts & 90-Day Labor on Refrigeration System
 
Add Extended Warranty Coverage for Peace of Mind
Protect your investment with one of our Extended Care Plans — perfect for facilities where uptime is critical.
- 
Option 1: No Extended Care – “We’ll Take the Risk” Included with every purchase. Enjoy the standard warranty coverage listed above. After the warranty period, all repairs are out-of-pocket.
 - 
Option 2: 1-Year Extended Warranty – Parts & Labor Add 12 full months of worry-free protection beyond the standard warranty. Covers mechanical breakdowns, labor, and refrigeration support.
 - 
Option 3: 2-Year Extended Warranty – Maximum Protection Get 2 full years of total coverage — our most popular plan. From diagnostics to repairs, we’ve got your back.
 
Add your plan at checkout or call us at 1-888-792-9315 to customize your protection.
Installation & Setup
- 
Ready to Use: This unit ships fully assembled and ready for operation.
 - 
Placement: Must be installed on a solid, level floor. Requires adequate ceiling clearance to ensure proper air circulation for the top-mounted compressor unit.
 - 
Electrical: Requires a dedicated 115V circuit. All electrical work should be verified by a licensed electrician.
 - 
Delivery: Freight delivery requires inspection for any potential shipping damage before signing the delivery receipt.
 
Get a Quote
- 
Phone: 1-888-792-9315
 - 
Email: cool@mymortuarycooler.com
 
American Mortuary Coolers – your trusted source for American-made mortuary equipment, embalming stations, and cadaver lifts. Proudly serving all 50 states with affordable financing, nationwide delivery, and white glove installation.
At American Mortuary Coolers, we make purchasing professional mortuary equipment simple and affordable with secure payment options and flexible financing programs available to facilities across all 50 states. Whether you’re investing in a mortuary cooler, embalming station, cadaver lift, or funeral home equipment, our goal is to make ownership accessible and hassle-free. We accept all major payment methods and partner with leading financial institutions to provide llow-interest financing and fast approval times— helping you upgrade your facility without financial strain.
              
                
Premium American-Made Mortuary Equipment – Built for Professionals, Shipped Nationwide
               
            
    American Mortuary Coolersis the trusted nationwide manufacturer ofmortuary coolers, embalming stations, cadaver lifts, and funeral home equipment, allcrafted in the USAfor unmatched quality and performance. Each unit is built withheavy-duty stainless steel construction, engineered fordurability, sanitation, and reliabilityin every professional setting — fromfuneral homes and hospitals to medical examiners and universities. Withaffordable financing,white glove installation, andno forklift required delivery, our mortuary solutions are designed to make setup simple and service seamless. We proudly offernationwide shipping, ensuring every facility across all50 statesreceives the precision, craftsmanship, and value that defineAmerican Mortuary Coolers.

                  
                    
Best Price Guarantee on American-Made Mortuary Equipment
                   
                
We guarantee the lowest prices on mortuary coolers, embalming tables, cadaver lifts, and funeral home equipment — all proudly made in the USA and shipped nationwide.
              
                
Over 16 Years in Business – Trusted American Mortuary Equipment Experts
               
            
    20+ Years of Direct Industry Experience • Physical Showroom • Nationwide Service
With over 16 years in business and more than 20 years of direct mortuary industry experience, American Mortuary Coolers has earned a reputation as one of the nation’s most trusted mortuary equipment manufacturers and suppliers. We proudly serve funeral homes, hospitals, coroners, universities, and medical facilities with American-made mortuary coolers, embalming stations, cadaver lifts, and morgue refrigeration systems that deliver superior quality, reliability, and craftsmanship.
Our commitment to precision, performance, and service excellence has positioned us as a leader in professional mortuary equipment — trusted by thousands of facilities across all 50 U.S. states.
              
                
Extend the Power of Your Facility with the Industry Leader in Mortuary Design & Equipment
               
            
    At American Mortuary Coolers, we go beyond equipment — we build seamless extensions of your funeral home, mortuary, or morgue. From state-of-the-art mortuary coolers to precision-engineered stretchers and embalming workstations, our products are designed to enhance efficiency, elevate professionalism, and expand your facility’s capabilities. Partner with the premier source trusted nationwide for craftsmanship, innovation, and design excellence.
              
                
Buy Mortuary Equipment from the Industry’s Most Trusted Source
               
            
    As a proud division of www.MortuaryEquipment.com, we provide the highest-quality mortuary equipment built for performance, reliability, and long-term value. From professional-grade mortuary coolers and stretchers to embalming stations and body lifts, every product is engineered to meet the demanding standards of funeral homes, mortuaries, and medical examiners nationwide. When you buy mortuary equipment from us, you’re investing in American craftsmanship and design excellence backed by decades of industry leadership.
              
                
#1 Authority in Aquamation & Body Composting Equipment
               
            
    As the leading authority inaquamation and body composting technology, we provide advanced cooling and ancillary systems engineered to support the future of eco-friendly death care. Our precision-built mortuary coolers, processing equipment, and facility design solutions are trusted by innovators and environmental leaders nationwide. When it comes to sustainable disposition systems,American Mortuary Coolersstands as the #1 source for reliability, performance, and expertise.
        
